
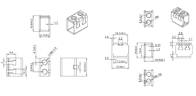
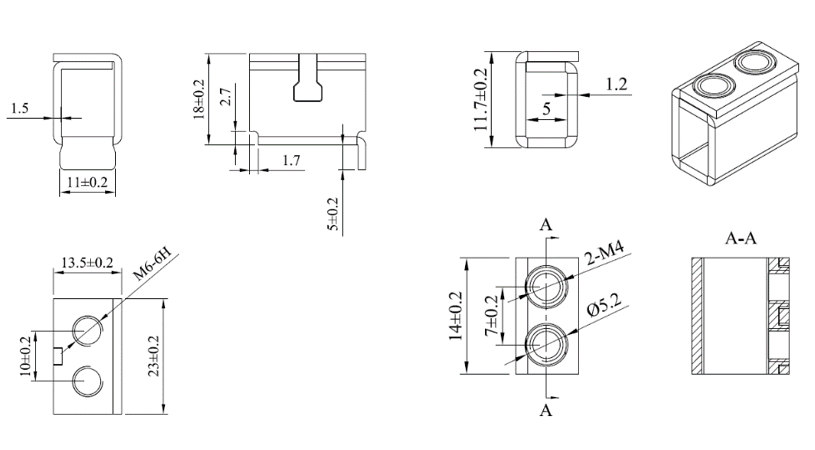
Cage Terminal
Cage Terminal is developed to replace the expensive and big brass terminals. Its advantages are small size, low cost, simple assembly and easy fixing, so it is widely used in the electrical devices.




Shenke Official WeChat platform
Copyright @2008-2018 河北申科電子股份有限公司 ALL Right Reserved. ICP備12345678號